產品簡介
產品概述
ISW、ISWR、ISWH、ISWD、ISWRD、ISWHD、ISWYD系列臥式單級單吸管道離心泵根據IS型離心泵與立式泵的獨特結構組合設計,并嚴格按照國際標準ISO2858和最新的國家管道離心泵標準JB/T53058-93進行設計制造的高效節能產品。該泵采用國內先進水力模型優化設計而成。同時根據使用溫度、介質等不同在ISW型基礎上派生出熱水泵、高溫泵、化工泵、油泵等,是目前國家標準定型推廣產品。
產品特點
泵軸的絕對同心度及葉輪優異的動靜平衡,保證平穩運行,絕無振動,不同材質的硬質合金密封,保證了不同介質輸送均無泄漏,結構簡單合理,關鍵部分采用國際一流品質配套,整機無故障工作時間大大提高。維修方便,更換密封、軸承、簡易方便。系列流量范圍1.5~2000m3/h,揚程范圍5~125m
產品用途
(1)ISW臥式離心泵,供輸送清水及物理化學性質類似于清水的其他液體之用,適用于工業和城市給排水、高層建筑增壓送水、園林噴灌、消防增壓、遠距離輸送、暖通制冷循環、浴室等冷暖水循環增壓及設備配套,使用溫度≤80℃。(2)ISWR臥式熱水泵廣泛適用于冶金、化工、紡織、造紙以及賓管、飯店等鍋爐熱水循環增壓及城市采暖系統。ISW型使用溫度T≤120℃。(3)ISWH臥式化工泵,供輸送不含固體顆粒、具有腐蝕性、粘度類似于水液體,適用于石油、化工、冶金、電力、造紙、食品、制藥及合成纖維等部門,使用溫為-20---120℃。(4)ISWB臥式管道油泵,供輸送油、煤油、柴油等油類產品或燃、易爆液體,被輸送介質溫度-20-120℃。
型號意義

產品優勢
- 臥式管道泵運行平穩:泵軸的絕對同心度及葉輪優異的動靜平衡,保證平穩運行,絕無振動。
- 滴水不漏:不同材質的硬質合金密封,保證了不同介質輸送均無泄漏。
- 噪音低:兩個低噪音軸承支撐下的水泵,運轉平穩,除電機微弱聲響,基本無噪音。
- 故障率低:結構簡單合理,關鍵部分采用國際一流品質;配套,整機無故障工作時間大大提高。
- 維修方便:更換密封、軸承,簡易方便。
- 占地更省:出口可向左、向右、向上三個方向,便于管道布置安裝,節省空間。
性能參數
泵型號 Type |
流量Q Capacity(m3/h) |
揚程 Head(m) |
效率 Efficiency(η) |
電機功率 Power(kw) |
轉速 Speed(r/min) |
必需汽蝕余量 NPSH(r) |
|
(m3/h) | L/s | ||||||
25-110 | 2.5 | 0.78 | 16 | 34 | 0.55 | 2900 | 2.3 |
4 | 1.11 | 15 | 42 | ||||
5.2 | 1.44 | 13.5 | 41 | ||||
25-125 | 2.5 | 0.78 | 20.6 | 28 | 0.75 | 2900 | 2.3 |
4 | 1.11 | 20 | 36 | ||||
5.2 | 1.44 | 18 | 35 | ||||
25-125A | 2.5 | 0.69 | 17 | 27 | 0.75 | 2900 | 2.3 |
3.6 | 1 | 16 | 35 | ||||
4.6 | 1.28 | 14.4 | 34 | ||||
25-160 | 2.8 | 0.78 | 33 | 24 | 1.5 | 2900 | 2.3 |
4 | 1.11 | 32 | 32 | ||||
5.2 | 1.44 | 30 | 33 | ||||
25-160A | 2.6 | 0.72 | 28.5 | 22 | 1.1 | 2900 | 2.3 |
3.7 | 1.03 | 28 | 31 | ||||
4.9 | 1.36 | 26 | 29 | ||||
32-100 | 3.5 | 0.97 | 13.5 | 40 | 0.55 | 2900 | 2.3 |
4.5 | 1.25 | 12.5 | 47 | ||||
5.3 | 1.47 | 11.3 | 43 | ||||
32-100(I) | 4.4 | 1.22 | 13.2 | 48 | 0.75 | 2900 | 2 |
6.3 | 1.75 | 12.5 | 54 | ||||
8.3 | 2.32 | 11.3 | 53 | ||||
32-125 | 3.5 | 0.97 | 22 | 40 | 0.75 | 2900 | 2.3 |
5 | 1.39 | 20 | 44 | ||||
6.5 | 1.8 | 18 | 42 | ||||
32-125A | 3.1 | 0.86 | 17.6 | 39 | 0.75 | 2900 | 2.3 |
4.5 | 1.25 | 16 | 43 | ||||
5.8 | 1.61 | 14.4 | 41 | ||||
32-160 | 3.5 | 0.97 | 33 | 30 | 1.5 | 2900 | 2.3 |
4.5 | 1.25 | 32 | 35 | ||||
6 | 1.67 | 30 | 33 | ||||
32-160A | 3.5 | 0.97 | 26.5 | 29 | 1.1 | 2900 | 2.3 |
4.5 | 1.25 | 25 | 34 | ||||
6 | 1.67 | 23 | 32 | ||||
32-160(I) | 4.4 | 1.22 | 33.2 | 32 | 2.2 | 2900 | 2.3 |
6.3 | 1.75 | 32 | 32 | ||||
8.3 | 2.32 | 30.2 | 32 | ||||
32-200 | 3.5 | 0.97 | 51 | 27 | 3 | 2900 | 2.3 |
4.5 | 1.25 | 50 | 32 | ||||
5.5 | 1.53 | 48 | 30 | ||||
32-200A | 3.9 | 1.08 | 41 | 26 | 3 | 2900 | 2.3 |
4 | 1.11 | 40 | 31 | ||||
4.2 | 1.17 | 48 | 29 | ||||
32-200(I) | 4.4 | 1.22 | 50.5 | 26 | 4 | 2900 | 2.3 |
6.3 | 1.75 | 50 | 33 | ||||
8.3 | 2.32 | 48 | 35 | ||||
40-100 | 4.4 | 1.22 | 13.2 | 48 | 0.55 | 2900 | 2.3 |
6.3 | 1.75 | 12.5 | 54 | ||||
8.3 | 2.31 | 11.3 | 53 | ||||
40-100A | 3.9 | 1.08 | 10.6 | 52 | 0.37 | 2900 | 2.3 |
5.6 | 1.56 | 10 | 52 | ||||
7.4 | 2.06 | 9 | 52 | ||||
40-125 | 4.4 | 1.22 | 21 | 41 | 1.1 | 2900 | 2.3 |
6.3 | 1.75 | 20 | 46 | ||||
8.3 | 2.31 | 18 | 43 | ||||
40-125A | 3.9 | 1.08 | 17.6 | 40 | 0.75 | 2900 | 2.3 |
5.6 | 1.56 | 16 | 45 | ||||
7.4 | 2.06 | 14.4 | 41 | ||||
40-160 | 4.4 | 1.22 | 33 | 35 | 2.2 | 2900 | 2.3 |
6.3 | 1.75 | 32 | 40 | ||||
8.3 | 2.31 | 30 | 40 | ||||
40-160A | 4.1 | 1.14 | 29 | 34 | 1.5 | 2900 | 2.3 |
5.9 | 1.64 | 28 | 39 | ||||
7.8 | 2.17 | 26.3 | 39 | ||||
40-160B | 3.8 | 1.06 | 25.5 | 34 | 1.1 | 2900 | 2.3 |
5.5 | 1.53 | 24 | 38 | ||||
7.2 | 2 | 22.5 | 37 | ||||
40-200 | 4.4 | 1.22 | 51 | 26 | 4 | 2900 | 2.3 |
6.3 | 1.75 | 50 | 33 | ||||
8.3 | 2.31 | 48 | 32 | ||||
40-200A | 4.1 | 1.14 | 45 | 26 | 3 | 2900 | 2.3 |
5.9 | 1.64 | 44 | 31 | ||||
7.8 | 2.17 | 42 | 30 | ||||
40-200B | 3.7 | 1.03 | 38 | 25 | 2.2 | 2900 | 2.3 |
5.3 | 1.47 | 36 | 29 | ||||
7 | 1.94 | 34.5 | 28 | ||||
40-250 | 4.4 | 1.22 | 82 | 24 | 7.5 | 2900 | 2.3 |
6.3 | 1.75 | 80 | 28 | ||||
8.3 | 2.31 | 74 | 28 | ||||
40-250A | 4.1 | 1.17 | 72 | 24 | 7.5 | 2900 | 2.3 |
5.9 | 1.64 | 70 | 28 | ||||
7.8 | 2.17 | 65 | 27 | ||||
40-250B | 3.8 | 1.06 | 61.5 | 23 | 4 | 2900 | 2.3 |
5.5 | 1.53 | 60 | 27 | ||||
7 | 1.94 | 56 | 26 | ||||
40-100(I) | 8.8 | 2.44 | 13.2 | 55 | 1.1 | 2900 | 2.3 |
12.5 | 3.47 | 12.5 | 62 | ||||
16.3 | 4.53 | 11.3 | 60 | ||||
40-100(I)A | 8 | 2.22 | 10.6 | 54 | 0.75 | 2900 | 2.3 |
11 | 3.05 | 10 | 60 | ||||
14.5 | 4.03 | 9 | 28 | ||||
40-125(I) | 8.8 | 2.44 | 21.2 | 49 | 1.5 | 2900 | 2.3 |
12.5 | 3.47 | 20 | 58 | ||||
16.3 | 4.53 | 17.8 | 57 | ||||
40-125(I)A | 8 | 2.22 | 17 | 48 | 1.1 | 2900 | 2.3 |
11 | 3.05 | 16 | 57 | ||||
14.5 | 4.03 | 14 | 56 | ||||
40-160(I) | 8.8 | 2.44 | 33 | 45 | 3 | 2900 | 2.3 |
12.5 | 3.47 | 32 | 52 | ||||
16.3 | 4.53 | 30 | 51 | ||||
40-160(I)A | 8.2 | 2.28 | 29 | 44 | 2.2 | 2900 | 2.3 |
11.7 | 3.25 | 28 | 51 | ||||
15.2 | 4.22 | 26 | 50 | ||||
40-160(I)B | 7.3 | 2.38 | 23 | 50 | 1.5 | 2900 | 2.3 |
10.4 | 2.89 | 22 | 50 | ||||
13.5 | 3.75 | 20.5 | 50 | ||||
40-200(I) | 8.8 | 2.44 | 51.2 | 38 | 5.5 | 2900 | 2.3 |
12.5 | 3.47 | 50 | 46 | ||||
16.3 | 4.53 | 48 | 46 | ||||
40-200(I)A | 8.3 | 2.31 | 45 | 37 | 4 | 2900 | 2.3 |
11.7 | 3.25 | 44 | 45 | ||||
15.3 | 4.25 | 42 | 45 | ||||
40-200(I)B | 7.5 | 2.08 | 37 | 36 | 3 | 2900 | 2.3 |
10.5 | 2.92 | 36 | 44 | ||||
13.8 | 3.83 | 34 | 44 | ||||
40-250(I) | 8.8 | 2.44 | 81.2 | 31 | 11 | 2900 | 2.3 |
12.5 | 3.47 | 80 | 40 | ||||
16.3 | 4.53 | 77.5 | 38 | ||||
40-250(I)A | 8.2 | 2.28 | 71 | 30 | 7.5 | 2900 | 2.3 |
11.6 | 3.22 | 70 | 38 | ||||
15.2 | 4.22 | 68 | 36 | ||||
40-250(I)B | 7.6 | 2.11 | 61.4 | 29 | 7.5 | 2900 | 2.3 |
10.8 | 3 | 60 | 37 | ||||
14 | 3.89 | 58 | 35 | ||||
50-100 | 8.8 | 2.44 | 13.6 | 55 | 1.1 | 2900 | 2.3 |
12.5 | 3.47 | 12.5 | 62 | ||||
16.3 | 4.53 | 11.3 | 60 | ||||
50-100A | 8 | 2.22 | 11 | 54 | 0.75 | 2900 | 2.3 |
11 | 3.05 | 10 | 60 | ||||
14.5 | 4.03 | 9 | 58 | ||||
50-125 | 8.8 | 2.44 | 21.5 | 49 | 1.5 | 2900 | 2.3 |
12.5 | 3.47 | 20 | 58 | ||||
16.3 | 4.53 | 17.8 | 57 | ||||
50-125A | 8 | 2.22 | 17 | 48 | 1.1 | 2900 | 2.3 |
11 | 3.05 | 16 | 57 | ||||
14.5 | 4.03 | 14 | 56 | ||||
50-160 | 8.8 | 2.44 | 33 | 45 | 3 | 2900 | 2.3 |
12.5 | 3.47 | 32 | 52 | ||||
16.3 | 4.53 | 30 | 51 | ||||
50-160A | 8.2 | 2.28 | 29 | 44 | 2.2 | 2900 | 2.3 |
11.7 | 3.25 | 28 | 51 | ||||
15.2 | 4.22 | 26 | 50 | ||||
50-160B | 7.3 | 2.38 | 23 | 43 | 1.5 | 2900 | 2.3 |
10.4 | 2.89 | 22 | 50 | ||||
13.5 | 3.75 | 20.5 | 49 | ||||
50-200 | 8.8 | 2.44 | 52 | 38 | 5.5 | 2900 | 2.3 |
12.5 | 3.47 | 50 | 46 | ||||
16.3 | 4.53 | 48 | 46 | ||||
50-200A | 8.3 | 2.31 | 45.8 | 37 | 4 | 2900 | 2.3 |
11.7 | 3.25 | 44 | 45 | ||||
15.3 | 4.25 | 42 | 45 | ||||
50-200B | 7.5 | 2.08 | 37 | 38 | 3 | 2900 | 2.3 |
10.6 | 2.94 | 36 | 44 | ||||
13.8 | 3.83 | 34 | 40 | ||||
50-250 | 8.8 | 2.44 | 82 | 29 | 11 | 2900 | 2.3 |
12.5 | 3.47 | 80 | 40 | ||||
16.3 | 4.53 | 77.5 | 38 | ||||
50-250A | 8.2 | 2.28 | 71.5 | 28 | 7.5 | 2900 | 2.3 |
11.6 | 3.22 | 70 | 38 | ||||
15.2 | 4.22 | 68 | 36 | ||||
50-250B | 7.6 | 2.11 | 61.4 | 27 | 7.5 | 2900 | 2.3 |
10.8 | 3 | 60 | 37 | ||||
14 | 3.89 | 58 | 35 | ||||
50-100(I) | 17.5 | 4.86 | 13.7 | 67 | 1.5 | 2900 | 2.5 |
25 | 6.94 | 12.5 | 69 | ||||
32.5 | 9.03 | 10.5 | 69 | ||||
50-100(I)A | 15.6 | 4.3 | 11 | 65 | 1.1 | 2900 | 2.5 |
22.3 | 6.19 | 10 | 68 | ||||
29 | 8.1 | 8.4 | 67 | ||||
50-125(I) | 17.5 | 4.86 | 21.5 | 60 | 3 | 2900 | 2.5 |
25 | 6.94 | 20 | 68 | ||||
32.5 | 9.03 | 18 | 57 | ||||
50-125(I)A | 15.6 | 4.33 | 17 | 58 | 2.2 | 2900 | 2.5 |
22.3 | 6.19 | 16 | 66 | ||||
29 | 8.1 | 13.6 | 65 | ||||
50-160(I) | 17.5 | 4.86 | 34.4 | 54 | 4 | 2900 | 2.5 |
25 | 6.94 | 32 | 65 | ||||
32.5 | 9.03 | 27.5 | 62 | ||||
50-160(I)A | 16.4 | 4.56 | 30 | 54 | 4 | 2900 | 2.5 |
23.4 | 6.5 | 28 | 62 | ||||
30.4 | 8.44 | 24 | 59 | ||||
50-160(I) | 15 | 4.17 | 26 | 51 | 3 | 2900 | 2.5 |
21.6 | 6 | 24 | 58 | ||||
28 | 7.78 | 20.6 | 56 | ||||
50-200(I) | 17.5 | 4.86 | 52.7 | 53 | 7.5 | 2900 | 2.5 |
25 | 6.94 | 50 | 60 | ||||
32.5 | 9.03 | 45.5 | 58 | ||||
50-200(I)A | 16.4 | 4.56 | 46.4 | 49 | 7.5 | 2900 | 2.5 |
23.5 | 6.53 | 44 | 58 | ||||
30.5 | 8.47 | 40 | 54 | ||||
50-200(I)B | 15.2 | 4.2 | 40 | 47 | 5.5 | 2900 | 2.5 |
21.8 | 6.06 | 38 | 55 | ||||
28.3 | 7.86 | 34.5 | 51 | ||||
50-250(I) | 17.5 | 4.86 | 82 | 49 | 15 | 2900 | 2.5 |
25 | 6.94 | 80 | 52 | ||||
32.5 | 9.03 | 76.2 | 50 | ||||
50-250(I)A | 16.4 | 4.56 | 71.5 | 45 | 11 | 2900 | 2.5 |
23.4 | 6.53 | 70 | 51 | ||||
30.5 | 8.47 | 67 | 47 | ||||
50-250(I)B | 15 | 4.17 | 61 | 38 | 11 | 2900 | 2.5 |
21.6 | 6 | 60 | 54 | ||||
28 | 7.78 | 57.4 | 49 |
泵型號 Type |
流量Q Capacity(m3/h) |
揚程 Head(m) |
效率 Efficiency(η) |
電機功率 Power(kw) |
轉速 Speed(r/min) |
必需汽蝕余量 NPSH(r) |
|
(m3/h) | L/s | ||||||
50-315(I)A | 16.6 | 4.61 | 115 | 37 | 22 | 2900 | 2.5 |
23.7 | 6.58 | 113 | 43 | ||||
31 | 8.6 | 112 | 40 | ||||
50-315(I)B | 15.7 | 4.36 | 103 | 33 | 18.5 | 2900 | 2.5 |
22.5 | 6.25 | 101 | 39 | ||||
29.2 | 8.1 | 98 | 37 | ||||
65-100 | 17.5 | 4.86 | 13.7 | 67 | 1.5 | 2900 | 2.5 |
25 | 6.94 | 12.5 | 69 | ||||
32.5 | 9.03 | 10.5 | 68 | ||||
65-100A | 15.6 | 4.3 | 11 | 65 | 1.1 | 2900 | 2.5 |
22.3 | 6.19 | 10 | 68 | ||||
29 | 8.1 | 8.4 | 67 | ||||
65-125 | 17.6 | 4.86 | 21.5 | 61 | 3 | 2900 | 2.5 |
25 | 6.94 | 20 | 68 | ||||
32.5 | 9.03 | 18 | 66 | ||||
65-125A | 15.6 | 4.33 | 17 | 58 | 2.2 | 2900 | 2.5 |
22.3 | 6.19 | 16 | 66 | ||||
29 | 8.1 | 14.4 | 65 | ||||
65-160 | 17.5 | 4.86 | 34.4 | 54 | 4 | 2900 | 2.5 |
25 | 6.94 | 32 | 63 | ||||
32.5 | 9.03 | 27.5 | 60 | ||||
65-160A | 16.4 | 4.56 | 30 | 54 | 4 | 2900 | 2.5 |
23.4 | 6.5 | 28 | 62 | ||||
30.4 | 8.44 | 24 | 59 | ||||
65-160B | 15 | 4.17 | 26 | 51 | 3 | 2900 | 2.5 |
21.6 | 6 | 24 | 58 | ||||
28 | 7.78 | 20.6 | 56 | ||||
65-200 | 17.5 | 4.86 | 52.7 | 49 | 7.5 | 2900 | 2.5 |
25 | 6.94 | 50 | 60 | ||||
32.5 | 9.03 | 42.5 | 58 | ||||
65-200A | 16.4 | 4.56 | 46.4 | 48 | 7.5 | 2900 | 2.5 |
23.5 | 6.53 | 44 | 58 | ||||
30.5 | 8.47 | 40 | 57 | ||||
65-200B | 15.2 | 4.22 | 40 | 47 | 5.5 | 2900 | 2.5 |
21.8 | 6.06 | 38 | 55 | ||||
28.3 | 7.86 | 34.5 | 51 | ||||
65-250 | 17.5 | 4.86 | 82 | 39 | 15 | 2900 | 2.5 |
25 | 6.94 | 80 | 52 | ||||
32.5 | 9.03 | 76.5 | 50 | ||||
65-250A | 16.4 | 4.56 | 7.5 | 47 | 11 | 2900 | 2.5 |
23.5 | 6.5 | 70 | 51 | ||||
30.5 | 8.47 | 67 | 48 | ||||
65-250B | 15 | 4.17 | 61 | 43 | 11 | 2900 | 2.5 |
21.6 | 6 | 60 | 50 | ||||
28 | 7.78 | 57.4 | 46 | ||||
65-315 | 17.5 | 4.86 | 127 | 32 | 30 | 2900 | 2.5 |
25 | 6.94 | 125 | 42 | ||||
32.5 | 9.03 | 122 | 40 | ||||
65-315A | 16.6 | 4.61 | 115 | 31 | 22 | 2900 | 2.5 |
23.7 | 6.58 | 113 | 43 | ||||
31 | 8.6 | 110 | 39 | ||||
65-315B | 15.7 | 4.36 | 103 | 33 | 18.5 | 2900 | 2.5 |
22.5 | 6.25 | 101 | 39 | ||||
29.2 | 8.1 | 98 | 37 | ||||
65-100(I) | 35 | 9.72 | 13 .8 | 67 | 3 | 2900 | 3 |
50 | 13.9 | 12.6 | 73 | ||||
65 | 18.1 | 10 | 70 | ||||
65-100(I)A | 31.3 | 8.7 | 11 | 66 | 2.2 | 2900 | 3 |
44.7 | 12.4 | 10 | 72 | ||||
58 | 16.1 | 8 | 69 | ||||
65-125(I) | 35 | 9.72 | 22 | 67 | 5.5 | 2900 | 3 |
50 | 13.9 | 20 | 72.5 | ||||
65 | 18.1 | 17 | 70 | ||||
65-125(I)A | 31.3 | 8.7 | 17.5 | 66 | 4 | 2900 | 3 |
45 | 12.5 | 16 | 71 | ||||
58 | 16.1 | 13.6 | 69 | ||||
65-160(I) | 35 | 9.72 | 35 | 63 | 7.5 | 2900 | 3 |
50 | 13.9 | 32 | 73 | ||||
65 | 18.1 | 28 | 70 | ||||
65-160(I)A | 32.7 | 9.1 | 30.6 | 62 | 7.5 | 2900 | 3 |
46.7 | 13 | 28 | 70 | ||||
61 | 16.9 | 24 | 69 | ||||
65-160(I)B | 30.3 | 8.4 | 26 | 61 | 5.5 | 2900 | 3 |
43.3 | 12 | 24 | 69 | ||||
56.3 | 15.6 | 21 | 68 | ||||
65-200(I) | 35 | 9.72 | 53.5 | 55 | 15 | 2900 | 3 |
50 | 13.9 | 50 | 69 | ||||
65 | 18.1 | 46 | 67 | ||||
65-200(I)A | 32.8 | 9.1 | 47 | 54 | 11 | 2900 | 3 |
47 | 13.1 | 44 | 67 | ||||
61 | 16.9 | 40 | 66 | ||||
65-200(I)B | 30.5 | 8.5 | 40.6 | 53 | 7.5 | 2900 | 3 |
43.5 | 12.1 | 36 | 65 | ||||
56.3 | 15.7 | 33.4 | 64 | ||||
65-250(I) | 35 | 9.72 | 83 | 52 | 22 | 2900 | 3 |
50 | 13.9 | 80 | 62 | ||||
65 | 18.1 | 72 | 59 | ||||
60-250(I)A | 32.5 | 9 | 73 | 58 | 18.5 | 2900 | 3 |
46.7 | 13 | 70 | 60 | ||||
61 | 16.9 | 63 | 58 | ||||
65-250(I)B | 30 | 8.3 | 62 | 56 | 15 | 2900 | 3 |
43.3 | 12 | 60 | 58 | ||||
56 | 15.6 | 54 | 57 | ||||
65-315(I) | 35 | 9.72 | 128 | 44 | 37 | 2900 | 3 |
50 | 13.9 | 125 | 54 | ||||
65 | 18.1 | 121 | 57 | ||||
65-315(I)A | 32.5 | 9 | 112.6 | 43 | 30 | 2900 | 3 |
46.5 | 12.9 | 110 | 54 | ||||
60.5 | 16.8 | 106.4 | 57 | ||||
65-315(I)B | 31 | 8.6 | 102.5 | 53 | 30 | 2900 | 3 |
44.5 | 12.4 | 100 | 53 | ||||
58 | 16.1 | 98 | 53 | ||||
80-100 | 35 | 9.72 | 13.8 | 67 | 3 | 2900 | 3 |
50 | 13.9 | 12.5 | 73 | ||||
65 | 18.1 | 10 | 70 | ||||
80-100A | 31.3 | 8.7 | 11 | 66 | 2.2 | 2900 | 3 |
44.7 | 12.4 | 10 | 72 | ||||
58 | 16.1 | 8 | 69 | ||||
80-125 | 35 | 9.72 | 22 | 67 | 5.5 | 2900 | 3 |
50 | 13.9 | 20 | 72.5 | ||||
65 | 18.1 | 17 | 70 |
泵型號 Type |
流量Q Capacity(m3/h) |
揚程 Head(m) |
效率 Efficiency(η) |
電機功率 Power(kw) |
轉速 Speed(r/min) |
必需汽蝕余量 NPSH(r) |
|
(m3/h) | L/s | ||||||
80-125A | 31.3 | 8.7 | 17.5 | 66 | 4 | 2900 | 3 |
45 | 12.5 | 16 | 71 | ||||
58 | 16.1 | 13.6 | 69 | ||||
80-160 | 35 | 9.72 | 35 | 63 | 7.5 | 2900 | 3 |
50 | 13.9 | 32 | 71 | ||||
65 | 18.1 | 28 | 70 | ||||
80-160A | 32.7 | 9.1 | 30.6 | 62 | 7.5 | 2900 | 3 |
46.7 | 13.9 | 28 | 70 | ||||
61 | 16.9 | 24 | 69 | ||||
80-160B | 30.3 | 8.4 | 26 | 61 | 5.5 | 2900 | 3 |
43.3 | 12 | 24 | 69 | ||||
56.33 | 15.6 | 21 | 68 | ||||
80-200 | 35 | 9.72 | 53.5 | 55 | 15 | 2900 | 3 |
50 | 13.9 | 50 | 69 | ||||
65 | 18.1 | 46 | 67 | ||||
80-200A | 32.8 | 9.1 | 47 | 54 | 11 | 2900 | 3 |
47 | 13.1 | 44 | 67 | ||||
61 | 16.9 | 40 | 66 | ||||
80-200B | 30.5 | 8.5 | 40.6 | 53 | 7.5 | 2900 | 3 |
43.5 | 12.1 | 38 | 65 | ||||
56.6 | 15.7 | 33.4 | 64 | ||||
80-250 | 35 | 9.72 | 83 | 52 | 22 | 2900 | 3 |
50 | 13.9 | 80 | 62 | ||||
65 | 18.1 | 72 | 59 | ||||
80-250A | 32.5 | 9 | 73 | 51 | 18.5 | 2900 | 3 |
46.7 | 13 | 70 | 60 | ||||
61 | 16.9 | 63 | 58 | ||||
80-250B | 30 | 8.3 | 62 | 50 | 15 | 2900 | 3 |
43.3 | 12 | 60 | 58 | ||||
56 | 15.6 | 54 | 57 | ||||
80-315 | 35 | 9.72 | 128 | 44 | 37 | 2900 | 3 |
50 | 13.9 | 125 | 54 | ||||
65 | 18.1 | 122 | 57 | ||||
80-315A | 32.5 | 9 | 112 | 43 | 30 | 2900 | 3 |
46.5 | 12.9 | 110 | 54 | ||||
60.5 | 16.8 | 107 | 57 | ||||
80-315B | 31 | 8.6 | 102 | 42 | 30 | 2900 | 3 |
44.5 | 12.4 | 100 | 53 | ||||
58 | 16.1 | 98 | 56 | ||||
80-315C | 29 | 8.1 | 87 | 41 | 22 | 2900 | 3 |
41 | 11.4 | 85 | 51 | ||||
53.6 | 14.9 | 83 | 54 | ||||
80-350 | 35 | 9.72 | 156 | 53 | 55 | 2900 | 3 |
50 | 13.9 | 150 | 54 | ||||
60 | 16.7 | 14 | 52 | ||||
80-350A | 30.8 | 8.56 | 148 | 45 | 45 | 2900 | 3 |
44 | 12.2 | 142 | 51 | ||||
52.8 | 14.7 | 135 | 50 | ||||
80-350B | 28 | 7.78 | 142 | 39 | 37 | 2900 | 3 |
40 | 11.1 | 135 | 48 | ||||
46 | 12.8 | 128 | 46 | ||||
80-100(I) | 70 | 19.4 | 14 | 66 | 5.5 | 2900 | 4.5 |
100 | 27.8 | 12.5 | 76 | ||||
130 | 36.1 | 11 | 75 | ||||
80-100(I)A | 62.6 | 17.4 | 12 | 64 | 4 | 2900 | 4.5 |
89 | 24.7 | 10 | 74 | ||||
116 | 32.2 | 8.8 | 74 | ||||
80-125(I) | 70 | 19.4 | 23.5 | 70 | 11 | 2900 | 4.5 |
100 | 27.8 | 20 | 76 | ||||
130 | 36.1 | 14 | 72 | ||||
80-125(I)A | 62.6 | 17.4 | 19 | 68 | 7.5 | 2900 | 4.5 |
89 | 24.7 | 16 | 74 | ||||
116 | 32.2 | 11 | 65 | ||||
80-160(I) | 70 | 19.4 | 36.5 | 70 | 15 | 2900 | 4.5 |
100 | 27.8 | 32 | 76 | ||||
130 | 36.1 | 24 | 75 | ||||
80-160(I)A | 65.4 | 18.2 | 32 | 68 | 11 | 2900 | 4.5 |
93.5 | 26 | 28 | 74 | ||||
121 | 33.8 | 21 | 67 | ||||
80-160(I)B | 60.6 | 16.8 | 27 | 66 | 11 | 2900 | 4.5 |
86.6 | 24.1 | 24 | 72 | ||||
112 | 31.3 | 18 | 65 | ||||
80-200(I) | 70 | 19.4 | 54 | 65 | 22 | 2900 | 4 |
100 | 27.8 | 50 | 74 | ||||
130 | 36.1 | 42 | 73 | ||||
80-200(I)A | 65.4 | 18.2 | 47.5 | 64 | 18.5 | 2900 | 4 |
93.5 | 26 | 44 | 73 | ||||
121 | 33.8 | 37 | 72 | ||||
80-200(I)B | 61 | 16.9 | 41 | 62 | 15 | 2900 | 4 |
87 | 24.2 | 38 | 71 | ||||
113 | 31.4 | 32 | 70 | ||||
80-250(I) | 70 | 19.4 | 87 | 62 | 37 | 2900 | 4 |
100 | 27.8 | 80 | 71 | ||||
130 | 36.1 | 68 | 78 | ||||
80-250(I)A | 65.4 | 18.2 | 76 | 61 | 30 | 2900 | 4 |
93.5 | 20.6 | 70 | 68 | ||||
121 | 33.8 | 59.5 | 67 | ||||
80-250(I)B | 61 | 16.9 | 65 | 60 | 30 | 2900 | 4 |
87 | 24.2 | 60 | 66 | ||||
113 | 31.4 | 51 | 66 | ||||
80-315(I) | 70 | 19.4 | 132 | 55 | 75 | 2900 | 4 |
100 | 27.8 | 125 | 67 | ||||
130 | 36.1 | 114 | 66 | ||||
80-315(I)A | 66.5 | 18.5 | 119 | 59 | 55 | 2900 | 4 |
95 | 26.4 | 113 | 65 | ||||
123 | 34.3 | 103 | 64 | ||||
80-315(I)B | 63 | 17.5 | 106 | 58 | 45 | 2900 | 4 |
90 | 25 | 101 | 65 | ||||
117 | 32.5 | 92 | 63 | ||||
80-315(I)C | 58 | 16.1 | 90 | 56 | 37 | 2900 | 4 |
82 | 22.8 | 85 | 63 | ||||
107 | 29.7 | 76 | 61 | ||||
100-100 | 70 | 19.4 | 13.6 | 66 | 5.5 | 2900 | 4.5 |
100 | 37.8 | 12.5 | 76 | ||||
130 | 36.1 | 11 | 75 | ||||
100-100A | 62.6 | 17.4 | 11 | 64 | 4 | 2900 | 4.5 |
89 | 24.7 | 10 | 74 | ||||
116 | 32.2 | 8.8 | 74 | ||||
100-125 | 70 | 19.4 | 23.5 | 70 | 11 | 2900 | 4.5 |
100 | 27.8 | 20 | 76 | ||||
130 | 36.1 | 14 | 65 | ||||
100-125A | 62.5 | 17.4 | 19 | 68 | 7.5 | 2900 | 4.5 |
89 | 24.7 | 16 | 74 | ||||
116 | 32.2 | 11 | 63 | ||||
100-160 | 70 | 19.4 | 36.5 | 70 | 15 | 2900 | 4.5 |
100 | 27.8 | 32 | 76 | ||||
130 | 36.1 | 24 | 65 | ||||
100-160A | 65.4 | 18.2 | 32 | 68 | 11 | 2900 | 4.5 |
93.5 | 26 | 28 | 76 | ||||
121 | 33.8 | 21 | 67 | ||||
100-160B | 60.6 | 16.8 | 27 | 67 | 11 | 2900 | 4.5 |
86.6 | 24.1 | 24 | 72 | ||||
112 | 31.3 | 18 | 65 | ||||
100-200 | 70 | 19.4 | 54 | 65 | 22 | 2900 | 4 |
100 | 27.8 | 50 | 75 | ||||
130 | 36.1 | 42 | 73 | ||||
100-200A | 65.4 | 18.2 | 47.5 | 64 | 18.5 | 2900 | 4 |
93.5 | 26 | 44 | 73 | ||||
121 | 33.8 | 37 | 72 | ||||
100-200B | 61 | 16.9 | 41 | 63 | 15 | 2900 | 4 |
87 | 24.2 | 38 | 71 | ||||
113 | 31.4 | 32 | 70 | ||||
100-250 | 70 | 19.4 | 87 | 62 | 37 | 2900 | 4 |
100 | 27.8 | 80 | 71 | ||||
130 | 36.1 | 68 | 68 | ||||
100-250A | 65.4 | 18.2 | 76 | 61 | 30 | 2900 | 4 |
93.5 | 26 | 70 | 68 | ||||
121 | 23.8 | 59.5 | 67 | ||||
100-250B | 61 | 16.9 | 65 | 59 | 30 | 2900 | 4 |
87 | 24.2 | 60 | 66 | ||||
113 | 31.4 | 51 | 65 | ||||
100-315 | 70 | 19.4 | 132 | 55 | 75 | 2900 | 4 |
100 | 27.8 | 125 | 67 | ||||
130 | 36.1 | 114 | 66 | ||||
100-315A | 66.5 | 18.5 | 119 | 55 | 55 | 2900 | 4 |
95 | 26.4 | 113 | 65 | ||||
123 | 34.3 | 103 | 64 | ||||
100-315B | 63 | 17.5 | 106 | 51 | 45 | 2900 | 4 |
90 | 25 | 101 | 65 | ||||
117 | 32.5 | 92 | 63 | ||||
100-350 | 60 | 16.7 | 153.6 | 72 | 90 | 2900 | 4 |
100 | 27.8 | 150 | 57 | ||||
120 | 33.3 | 142 | 74 | ||||
100-350A | 61 | 16.9 | 145.6 | 75 | 75 | 2900 | 4 |
87 | 24.2 | 142 | |||||
113 | 31.4 | 134 | |||||
100-350B | 58 | 16.1 | 138.6 | 75 | 55 | 2900 | 4 |
82 | 22.8 | 135 | |||||
107 | 29.7 | 127 | |||||
100-100(I) | 96 | 26.7 | 14 | 64 | 11 | 2900 | 4 |
160 | 44.4 | 12.5 | 73 | ||||
192 | 53.3 | 10 | 70 | ||||
100-125(I) | 96 | 26.7 | 24 | 62 | 15 | 2900 | 4 |
160 | 44.4 | 20 | 74 | ||||
192 | 53.3 | 14 | 69 | ||||
100-125(I)A | 84 | 23.3 | 20 | 64 | 11 | 2900 | 4 |
140 | 39 | 17 | 72 | ||||
168 | 46.7 | 12 | 68 | ||||
100-160(I) | 96 | 26.7 | 36 | 69 | 22 | 2900 | 4 |
160 | 44.4 | 32 | 79 | ||||
192 | 53.5 | 27 | 75 | ||||
100-160(I)A | 84 | 23.3 | 32 | 66 | 18.5 | 2900 | 4 |
140 | 39 | 28 | 76 | ||||
168 | 46.7 | 23.5 | 72 | ||||
100-200(I) | 96 | 26.7 | 54 | 65 | 37 | 2900 | 4 |
160 | 44.4 | 50 | 77 | ||||
192 | 53.3 | 46 | 75 | ||||
100-200(I)A | 84 | 23 | 47.5 | 64 | 30 | 2900 | 4 |
140 | 39 | 44 | 76 | ||||
168 | 46.7 | 40.5 | 75 | ||||
100-200(I)B | 60 | 23.6 | 40 | 63 | 30 | 2900 | 4 |
100 | 38.3 | 37 | 75 | ||||
120 | 47.2 | 34 | 75 | ||||
100-250(I) | 96 | 26.7 | 83 | 65 | 55 | 2900 | 4 |
160 | 44.4 | 80 | 77 | ||||
192 | 53.3 | 72 | 74 | ||||
100-250(I)A | 84 | 23.3 | 75 | 60 | 45 | 2900 | 4 |
140 | 39 | 72 | 72 | ||||
168 | 46.7 | 65 | 69 | ||||
100-250(I)B | 60 | 16.7 | 68 | 70 | 37 | 2900 | 4 |
138 | 27.8 | 65 | |||||
170 | 33.3 | 58 | |||||
125-100 | 96 | 26.7 | 13 | 82 | 11 | 2900 | 4 |
160 | 44.4 | 12.5 | |||||
192 | 53.3 | 12 | |||||
125-100A | 86 | 23.9 | 10.4 | 77 | 7.5 | 2900 | 4 |
143 | 39.7 | 10 | |||||
172 | 47.8 | 9.6 | |||||
125-125 | 96 | 26.7 | 22.6 | 80 | 15 | 2900 | 4 |
160 | 44.4 | 20 | |||||
192 | 53.3 | 17 |
泵型號 Type |
流量Q Capacity(m3/h) |
揚程 Head(m) |
效率 Efficiency(η) |
電機功率 Power(kw) |
轉速 Speed(r/min) |
必需汽蝕余量 NPSH(r) |
|
(m3/h) | L/s | ||||||
125-125A | 86 | 23.9 | 18 | 77 | 11 | 2900 | 4 |
143 | 39.7 | 16 | |||||
172 | 47.8 | 13.6 | |||||
125-160 | 96 | 26.7 | 36 | 78 | 22 | 2900 | 4 |
160 | 44.4 | 32 | |||||
192 | 53.3 | 28 | |||||
125-160A | 90 | 25 | 31.5 | 76 | 18.5 | 2900 | 4 |
150 | 41.7 | 28 | |||||
180 | 50 | 24.5 | |||||
125-160B | 83 | 21.7 | 27 | 73 | 15 | 2900 | 4 |
183 | 38.3 | 24 | |||||
166 | 46.1 | 21 | |||||
125-200 | 96 | 26.7 | 55 | 77 | 37 | 2900 | 4 |
160 | 44.4 | 50 | |||||
192 | 53.3 | 46 | |||||
125-200A | 90 | 25 | 48.4 | 76 | 30 | 2900 | 4 |
150 | 41.7 | 44 | |||||
180 | 50 | 40.5 | |||||
125-200B | 83 | 21.7 | 41.3 | 75 | 22 | 2900 | 4 |
138 | 33.3 | 37.5 | |||||
166 | 46.1 | 34.5 | |||||
125-250 | 96 | 26.7 | 87 | 75 | 55 | 2900 | 4 |
160 | 44.4 | 80 | |||||
192 | 53.3 | 73 | |||||
125-250A | 90 | 25 | 76 | 74 | 45 | 2900 | 4 |
150 | 41.7 | 70 | |||||
180 | 50 | 64 | |||||
125-250B | 83 | 21.7 | 65 | 73 | 37 | 2900 | 4 |
138 | 33.3 | 50 | |||||
166 | 46.1 | 55 | |||||
125-315 | 96 | 26.7 | 123 | 70 | 90 | 2900 | 4 |
160 | 44.4 | 125 | |||||
192 | 53.3 | 119 | |||||
125-315A | 90 | 25 | 117 | 70 | 75 | 2900 | 4 |
150 | 41.7 | 110 | 70 | ||||
180 | 50 | 104 | 70 | ||||
125-315B | 86 | 23.9 | 106 | 69 | 75 | 2900 | 4 |
143 | 39.7 | 100 | 69 | ||||
172 | 47.8 | 95.2 | 69 | ||||
150-125 | 96 | 26.7 | 22.6 | 66 | 15 | 2900 | 4 |
160 | 44.4 | 24 | 76 | ||||
192 | 53.3 | 17 | 76 | ||||
150-125A | 90 | 25 | 18 | 77 | 11 | 2900 | 4 |
150 | 41.7 | 16 | 77 | ||||
180 | 50 | 13.6 | 77 | ||||
150-160 | 96 | 26.7 | 35 | 72 | 22 | 2900 | 4 |
160 | 44.4 | 32 | 78 | ||||
192 | 53.3 | 28 | 76 | ||||
150-160A | 90 | 25 | 31.5 | 71 | 18.5 | 2900 | 4 |
150 | 41.7 | 28 | 76 | ||||
180 | 50 | 24.5 | 73 | ||||
150-160B | 84 | 23.3 | 27 | 67 | 15 | 2900 | 4 |
140 | 38.9 | 24 | 73 | ||||
168 | 46.7 | 21 | 72 | ||||
150-200 | 96 | 26.7 | 55 | 77 | 37 | 2900 | 4 |
160 | 44.4 | 50 | 77 | ||||
192 | 53.3 | 46 | 77 | ||||
150-200A | 90 | 25 | 48.4 | 76 | 30 | 2900 | 4 |
150 | 41.7 | 44 | 76 | ||||
180 | 50 | 40.5 | 76 | ||||
150-200B | 83 | 21.7 | 41.3 | 75 | 22 | 2900 | 4 |
138 | 33.3 | 37.5 | 75 | ||||
166 | 46.1 | 34.5 | 75 | ||||
150-250(I) | 120 | 33.3 | 87 | 65 | 75 | 2900 | 4 |
200 | 55.6 | 80 | 76 | ||||
240 | 66.7 | 72 | 74 | ||||
150-250(I)A | 112 | 31.1 | 76 | 64 | 55 | 2900 | 4 |
187 | 51.9 | 70 | 75 | ||||
224 | 62.2 | 63 | 73 | ||||
150-250(I)B | 104 | 26.9 | 65 | 63 | 45 | 2900 | 4 |
173 | 48.1 | 60 | 74 | ||||
204 | 57.8 | 54 | 72 | ||||
150-315(I) | 120 | 33.3 | 133 | 58 | 110 | 2900 | 4.5 |
200 | 55.6 | 125 | 75 | ||||
240 | 66.7 | 120 | 73 | ||||
150-315(I)A | 112 | 31.1 | 116 | 57 | 90 | 2900 | 4.5 |
187 | 51.9 | 110 | 74 | ||||
224 | 62.2 | 105 | 72 | ||||
150-315(I)B | 104 | 28.9 | 100 | 55 | 75 | 2900 | 4.5 |
173 | 48.1 | 95 | 72 | ||||
208 | 57.8 | 91 | 70 | ||||
150-350 | 96 | 26.7 | 153.6 | 69 | 110 | 2900 | 4.5 |
160 | 44.4 | 150 | 70 | ||||
192 | 53.3 | 138 | 67 | ||||
150-350A | 105 | 29.2 | 152 | 68 | 90 | 2900 | 4.5 |
150 | 41.7 | 142 | 69 | ||||
180 | 50 | 130 | 65 | ||||
150-350B | 98 | 27.2 | 110 | 63 | 75 | 2900 | 4.5 |
140 | 38.9 | 101 | 67 | ||||
168 | 46.7 | 90 | 60 | ||||
150-200 | 140 | 38.9 | 13.8 | 68 | 15 | 1450 | 3 |
200 | 55.6 | 12.5 | 78 | ||||
260 | 72.2 | 10.6 | 78 | ||||
150-200A | 125 | 34.7 | 11.5 | 66 | 11 | 1450 | 3 |
176 | 49.7 | 10 | 76 | ||||
232 | 64.6 | 8.5 | 76 | ||||
150-250 | 140 | 38.9 | 21.8 | 73 | 18.5 | 1450 | 3 |
200 | 55.6 | 20 | 80 | ||||
260 | 72.2 | 17 | 77 | ||||
150-250A | 129 | 35.8 | 18.5 | 72 | 15 | 1450 | 3 |
184 | 51.1 | 17 | 78 | ||||
240 | 66.7 | 14.4 | 76 | ||||
150-250B | 117 | 32.5 | 15.2 | 70 | 11 | 1450 | 3 |
167 | 46.4 | 14 | 76 | ||||
217 | 60.4 | 12 | 74 | ||||
150-315 | 140 | 38.9 | 33.8 | 70 | 30 | 1450 | 3.5 |
200 | 55.6 | 32 | 78 | ||||
260 | 72.2 | 28 | 73 | ||||
150-315A | 131 | 36.4 | 29.5 | 69 | 22 | 1450 | 3.5 |
187 | 51.9 | 28 | 77 | ||||
243 | 67.5 | 24.5 | 77 | ||||
150-315B | 121 | 33.6 | 25 | 69 | 18.5 | 1450 | 3.5 |
173 | 48.1 | 24 | 76 | ||||
225 | 62.3 | 21 | 75 | ||||
150-400 | 140 | 38.9 | 53 | 68 | 45 | 1450 | 3.5 |
200 | 55.6 | 50 | 75 | ||||
260 | 72.2 | 46 | 71 | ||||
150-400A | 131 | 36.4 | 46.6 | 67 | 37 | 1450 | 3.5 |
187 | 51.9 | 44 | 74 | ||||
243 | 67.5 | 38.3 | 70 | ||||
150-400B | 122 | 33.9 | 40 | 64 | 30 | 1450 | 3.5 |
174 | 48.3 | 38 | 73 | ||||
226 | 62.9 | 33 | 70 | ||||
150-400C | 112 | 31.3 | 34 | 64 | 22 | 1450 | 3.5 |
160 | 44.4 | 32 | 71 | ||||
208 | 57.8 | 28 | 69 | ||||
200-200 | 140 | 38.9 | 13.8 | 67 | 15 | 1450 | 3 |
200 | 55.6 | 12.5 | 78 | ||||
260 | 72.2 | 10.6 | 78 | ||||
200-200a | 125 | 34.7 | 11 | 66 | 11 | 1450 | 3 |
179 | 49.7 | 10 | 76 | ||||
232 | 64.6 | 8.5 | 76 | ||||
200-250 | 140 | 38.9 | 21.8 | 73 | 18.5 | 1450 | 3 |
200 | 55.6 | 20 | 80 | ||||
260 | 72.2 | 17 | 77 | ||||
200-250A | 129 | 35.8 | 18.5 | 72 | 15 | 1450 | 3 |
184 | 51.2 | 17 | 78 | ||||
240 | 66.7 | 14.4 | 76 | ||||
200-250B | 117 | 32.5 | 15.2 | 70 | 11 | 1450 | 3 |
167 | 46.4 | 14 | 76 | ||||
217.5 | 60.4 | 12 | 75 | ||||
200-315 | 140 | 38.9 | 33.8 | 70 | 30 | 1450 | 3.5 |
200 | 55.6 | 32 | 78 | ||||
260 | 72.2 | 28 | 78 | ||||
200-315A | 131 | 36.4 | 29.5 | 69 | 22 | 1450 | 3.5 |
187 | 51.9 | 28 | 77 | ||||
243 | 67.5 | 24.5 | 77 | ||||
200-315B | 121 | 33.6 | 25.5 | 69 | 18.5 | 1450 | 3.5 |
173 | 48.1 | 24 | 76 | ||||
225 | 62.5 | 20.5 | 75 | ||||
200-400 | 140 | 38.9 | 53 | 68 | 45 | 1450 | 3.5 |
200 | 55.6 | 50 | 75 | ||||
260 | 72.2 | 46 | 71 | ||||
200-400a | 131 | 36.4 | 46.6 | 67 | 37 | 1450 | 3.5 |
187 | 51.9 | 44 | 74 | ||||
243 | 67.5 | 38.3 | 70 | ||||
200-400b | 122 | 33.9 | 40 | 64 | 30 | 1450 | 3.5 |
174 | 48.3 | 38 | 73 | ||||
226 | 62.9 | 33 | 70 | ||||
200-400c | 112 | 31.3 | 34 | 64 | 22 | 1450 | 3.5 |
160 | 44.4 | 32 | 71 | ||||
208 | 57.8 | 28 | 69 | ||||
200-200(I) | 280 | 77.8 | 13.4 | 70 | 22 | 1450 | 4 |
400 | 111 | 12.5 | 80 | ||||
520 | 144 | 10.5 | 79 | ||||
200-200(I)A | 250 | 69.4 | 11.2 | 68 | 18.5 | 1450 | 4 |
358 | 99.4 | 10 | 78 | ||||
465 | 129 | 8.5 | 77 | ||||
200-250(I) | 280 | 77.8 | 22.2 | 75 | 30 | 1450 | 4 |
400 | 111 | 20 | 80 | ||||
520 | 144 | 14 | 72 | ||||
200-250(I)A | 250 | 69.4 | 18 | 73 | 22 | 1450 | 4 |
358 | 99.4 | 16 | 78 | ||||
465 | 129 | 11.2 | 70 | ||||
200-250(I)B | 226 | 62.8 | 14.4 | 70 | 18.5 | 1450 | 4 |
322 | 89.4 | 13 | 75 | ||||
419 | 116 | 9.3 | 67 | ||||
200-315(I) | 280 | 77.8 | 36 | 73 | 55 | 1450 | 4 |
400 | 111 | 32 | 80 | ||||
520 | 144 | 26 | 75 | ||||
200-315(I)A | 262 | 72.8 | 31.5 | 72 | 45 | 1450 | 4 |
374 | 103 | 28 | 79 | ||||
486 | 135 | 23 | 74 | ||||
200-315(I)B | 242 | 67.2 | 27 | 71 | 37 | 1450 | 4 |
346 | 96.1 | 24 | 78 | ||||
450 | 125 | 19.5 | 73 | ||||
200-400(I) | 280 | 77.8 | 54.5 | 75 | 75 | 1450 | 4 |
400 | 111.4 | 50 | 81 | ||||
520 | 144 | 39 | 77 | ||||
200-400(I)A | 262 | 72.8 | 48 | 74 | 75 | 1450 | 4 |
374 | 103 | 44 | 80 | ||||
486 | 135 | 34 | 76 | ||||
200-400(I)B | 242 | 67.2 | 41.4 | 72 | 55 | 1450 | 5 |
346 | 96.1 | 38 | 78 | ||||
450 | 125 | 29.6 | 74 | ||||
200-400(I)C | 224 | 62.2 | 34.9 | 70 | 45 | 1450 | 5 |
320 | 88.9 | 32 | 76 | ||||
416 | 115 | 25 | 72 | ||||
200-500(I) | 280 | 77.8 | 85 | 76 | 132 | 1450 | 4 |
400 | 111.1 | 80 | 78 | ||||
520 | 144.4 | 70 | 76 | ||||
200-500(I)A | 262 | 72.8 | 74.4 | 75 | 110 | 1450 | 4 |
374 | 103.9 | 70 | 77 | ||||
486 | 135 | 61.2 | 75 | ||||
200-500(I)B | 242 | 67.2 | 63.8 | 74 | 90 | 1450 | 4 |
346 | 96.1 | 60 | 76 | ||||
450 | 125 | 52.5 | 74 | ||||
200-500(I)C | 224 | 62.2 | 53.2 | 73 | 75 | 1450 | 4 |
320 | 88.9 | 50 | 75 | ||||
416 | 115.6 | 43.8 | 73 | ||||
250-250 | 350 | 97.2 | 22 | 78 | 45 | 1450 | 5 |
550 | 152.8 | 20 | 82 | ||||
650 | 180.5 | 16 | 81 | ||||
250-250A | 300 | 83.3 | 18.3 | 76 | 73 | 1450 | 5 |
500 | 139 | 17 | 80 | ||||
600 | 166.7 | 14 | 80 | ||||
250-315 | 350 | 97.2 | 34 | 76 | 75 | 1450 | 5 |
550 | 152.8 | 32 | 80 | ||||
650 | 180.5 | 28 | 79 | ||||
250-315A | 300 | 83.3 | 29.5 | 74 | 55 | 1450 | 5 |
500 | 139 | 28 | 78 | ||||
600 | 166.7 | 24 | 77 | ||||
250-315B | 260 | 72.2 | 25 | 70 | 45 | 1450 | 5 |
450 | 125 | 24 | 74 | ||||
520 | 144.4 | 20 | 72 | ||||
250-400 | 400 | 111.1 | 54.5 | 75 | 110 | 1450 | 5 |
550 | 152.8 | 50 | 78 | ||||
670 | 186.7 | 39 | 80 | ||||
250-400A | 365 | 101.4 | 47 | 74 | 90 | 1450 | 5 |
500 | 138.9 | 44 | 77 | ||||
600 | 166.7 | 35 | 79 | ||||
250-400B | 325 | 90.3 | 41.2 | 73 | 75 | 1450 | 5 |
450 | 125 | 38 | 76 | ||||
530 | 147.2 | 34.2 | 78 | ||||
250-480 | 400 | 111.1 | 76 | 75 | 160 | 1450 | 5 |
550 | 152.8 | 70 | 76 | ||||
670 | 186.7 | 63 | 78 | ||||
250-480A | 365 | 101.4 | 65 | 74 | 132 | 1450 | 5 |
500 | 138.9 | 60 | 75 | ||||
600 | 166.7 | 54 | 77 | ||||
250-480B | 325 | 90.3 | 55 | 73 | 90 | 1450 | 5 |
450 | 125 | 50 | 74 | ||||
530 | 147.2 | 42 | 74 | ||||
300-235 | 540 | 150 | 20.5 | 77 | 55 | 1450 | 5 |
720 | 200 | 18 | 81 | ||||
900 | 250 | 15 | 74 | ||||
300-235A | 450 | 125 | 17.2 | 74 | 45 | 1450 | 5 |
600 | 166 | 15 | 79 | ||||
720 | 200 | 12.5 | 77 | ||||
300-235B | 420 | 116.7 | 14.3 | 73 | 37 | 1450 | 5 |
540 | 150 | 12.8 | 78 | ||||
650 | 181 | 10.5 | 70 | ||||
300-250 | 540 | 150 | 22.5 | 80 | 55 | 1450 | 5 |
720 | 200 | 20 | 83 | ||||
900 | 250 | 17 | 84 | ||||
300-250A | 450 | 136 | 19.5 | 81 | 45 | 1450 | 5 |
600 | 166 | 17 | |||||
720 | 200 | 14 | |||||
300-300 | 540 | 150 | 32 | 82 | 75 | 1480 | 5 |
720 | 200 | 28 | |||||
900 | 250 | 23 | |||||
300-300A | 450 | 125 | 27.5 | 80 | 75 | 1480 | 5 |
600 | 166 | 24 | |||||
720 | 200 | 20 | |||||
300-300B | 420 | 116.7 | 24 | 78 | 55 | 1480 | 5 |
540 | 150 | 21 | |||||
650 | 181 | 17 | |||||
300-235 | 480 | 133.3 | 20 | 77 | 55 | 980 | 5 |
720 | 200 | 18 | 81 | ||||
900 | 250 | 15.5 | 74 | ||||
300-235A | 438 | 121.7 | 16.5 | 75 | 45 | 980 | 5 |
607 | 182.5 | 15 | 79 | ||||
821 | 228.1 | 13 | 72 | ||||
300-300 | 480 | 133.3 | 31 | 77 | 75 | 980 | 5 |
720 | 200 | 28 | 81 | ||||
900 | 250 | 25 | 77 | ||||
300-300A | 444 | 123.3 | 26.5 | 76 | 75 | 980 | 5 |
666 | 185 | 24 | 80 | ||||
833 | 231.4 | 21.5 | 76 | ||||
300-300B | 415 | 115.3 | 23 | 79 | 55 | 980 | 5 |
623 | 173.1 | 21 | |||||
779 | 216.4 | 18.5 | |||||
300-380 | 480 | 133.3 | 48 | 76 | 132 | 980 | 5 |
720 | 200 | 44 | 84 | ||||
900 | 250 | 34 | 82 | ||||
300-380A | 444 | 123.3 | 41.4 | 81 | 110 | 980 | 5 |
666 | 185 | 38 | |||||
833 | 231.4 | 30 | |||||
300-380B | 400 | 113.6 | 35 | 80 | 90 | 980 | 5 |
614 | 170.6 | 32 | |||||
767 | 213.1 | 25 | |||||
300-315 | 540 | 150 | 35 | 76 | 90 | 1450 | 5 |
720 | 200 | 32 | 84 | ||||
900 | 250 | 26 | 80 | ||||
300-315A | 460 | 127.8 | 31.5 | 72 | 75 | 1450 | 55 |
650 | 180 | 28 | 80 | ||||
820 | 222 | 23.5 | 77 | ||||
300-315B | 420 | 116.7 | 27 | 71 | 55 | 1450 | 5 |
580 | 161 | 24 | 78 | ||||
700 | 194 | 20 | 76 | ||||
300-400 | 500 | 138.9 | 54.5 | 80 | 132 | 1450 | 5.5 |
720 | 200 | 50 | |||||
900 | 250 | 42 | |||||
300-400A | 420 | 127.8 | 47 | 78 | 110 | 1450 | 5.5 |
600 | 180.6 | 44 | |||||
780 | 233.3 | 37 | |||||
300-460 | 480 | 133.3 | 71 | 75 | 185 | 1450 | 5.5 |
720 | 200 | 65 | 81 | ||||
900 | 250 | 58 | 82 | ||||
300-460A | 444 | 12.3 | 60 | 74 | 160 | 1450 | 5.5 |
666 | 185 | 55 | 80 | ||||
833 | 231.4 | 49 | 81 | ||||
300-460B | 409 | 113.6 | 49 | 73 | 110 | 1450 | 5.5 |
614 | 170.6 | 45 | 79 | ||||
767 | 213.1 | 35 | 80 |
泵型號 Type |
流量Q Capacity(m3/h) |
揚程 Head(m) |
效率 Efficiency(η) |
電機功率 Power(kw) |
轉速 Speed(r/min) |
必需汽蝕余量 NPSH(r) |
|
(m3/h) | L/s | ||||||
300-500 | 540 | 150 | 85 | 78 | 250 | 1450 | 5.5 |
720 | 200 | 80 | 80 | ||||
900 | 250 | 70 | 78 | ||||
300-500A | 506 | 140.6 | 74.4 | 77 | 200 | 1450 | 5.5 |
675 | 187.5 | 70 | 79 | ||||
720 | 200 | 61.2 | 77 | ||||
300-500B | 468 | 130 | 63.8 | 76 | 160 | 1450 | 5.5 |
625 | 173.6 | 60 | 78 | ||||
667 | 185.3 | 52.5 | 76 | ||||
300-500C | 425 | 118 | 53.2 | 75 | 110 | 1450 | 5.5 |
570 | 158.3 | 50 | 77 | ||||
605 | 168 | 43.8 | 75 | ||||
300-235(I) | 718 | 199.4 | 44.6 | 82 | 160 | 1450 | 5.5 |
1080 | 300 | 40 | |||||
1345 | 373.6 | 34.6 | |||||
300-235(I)A | 642 | 178.3 | 35.7 | 80 | 132 | 1450 | 5.5 |
965 | 268.1 | 32 | |||||
1203 | 334.2 | 27.7 | |||||
350-250 | 480 | 133.3 | 23 | 79 | 75 | 1450 | 5 |
800 | 222 | 20 | 82 | ||||
960 | 267 | 17.5 | 81 | ||||
350-250A | 430 | 119.4 | 18.5 | 81 | 55 | 1450 | 5 |
715 | 198.6 | 16 | |||||
860 | 238.9 | 13 | |||||
350-315 | 480 | 133.3 | 35 | 75 | 90 | 1450 | 5 |
800 | 222 | 32 | 81 | ||||
960 | 267 | 27 | 80 | ||||
350-315A | 450 | 125 | 30.5 | 80 | 75 | 1450 | 5 |
748 | 207.8 | 28 | |||||
900 | 250 | 23.5 | |||||
350-315B | 416 | 115.6 | 26 | 78 | 75 | 1450 | 5 |
692 | 192.2 | 24 | |||||
832 | 231.1 | 20 | |||||
350-400 | 480 | 133.3 | 55 | 76 | 160 | 1450 | 5 |
800 | 222 | 50 | 82 | ||||
960 | 267 | 45.5 | 80 | ||||
350-400A | 450 | 125 | 48 | 80 | 132 | 1450 | 5 |
748 | 207.8 | 44 | |||||
900 | 250 | 40 | |||||
350-400B | 418 | 116.1 | 42 | 78 | 110 | 1450 | 5 |
697 | 193.6 | 38 | |||||
836 | 232.2 | 34.5 | |||||
350-460 | 1000 | 277.8 | 55 | 74 | 250 | 1450 | 6 |
1200 | 333.3 | 50 | |||||
1450 | 402.8 | 43 | |||||
350-460A | 900 | 250 | 47 | 72 | 200 | 1450 | 6 |
1080 | 300 | 44 | |||||
1300 | 360 | 39 | |||||
350-480 | 610 | 169.4 | 71 | 75 | 220 | 1450 | 5.5 |
850 | 236.1 | 65 | 81 | ||||
1020 | 283.3 | 58 | 79 | ||||
350-480A | 574 | 159.4 | 65 | 75 | 200 | 1450 | 5.5 |
800 | 222.2 | 60 | 80 | ||||
960 | 266.7 | 53 | 79 | ||||
350-480B | 516 | 143.3 | 60 | 72 | 160 | 1450 | 5.5 |
720 | 200 | 55 | 78 | ||||
864 | 240 | 45 | 75 | ||||
400-300 | 820 | 228 | 23 | 72 | 90 | 1450 | 5.5 |
1080 | 300 | 20 | 78 | ||||
1300 | 361 | 16 | 75 | ||||
400-315 | 820 | 228 | 36.5 | 71 | 132 | 1450 | 5.5 |
1080 | 300 | 32 | 76 | ||||
1300 | 361 | 27 | 74 | ||||
500-300 | 1000 | 277.8 | 23 | 76 | 110 | 1450 | 5.5 |
1200 | 333 | 20 | 80 | ||||
1450 | 403 | 16 | 75 | ||||
500-315 | 1000 | 278 | 34.5 | 76 | 160 | 1450 | 5.5 |
1200 | 333 | 32 | 78 | ||||
1450 | 403 | 27 | 77 | ||||
40-160 | 2.2 | 0.61 | 8.3 | 39 | 0.37 | 1450 | 2.3 |
3.2 | 0.89 | 8 | 39 | ||||
4.2 | 1.17 | 7.5 | 39 | ||||
40-200 | 2.2 | 0.61 | 12.8 | 31 | 0.55 | 1450 | 2.3 |
3.2 | 0.89 | 12.5 | 31 | ||||
4.2 | 1.17 | 12 | 31 | ||||
40-250 | 2.2 | 0.61 | 20.5 | 27 | 1.1 | 1450 | 2.3 |
3.2 | 0.89 | 20 | 27 | ||||
4.2 | 1.17 | 18.58 | 27 | ||||
40-250A | 2 | 0.56 | 18 | 27 | 0.75 | 1450 | 2.3 |
3 | 0.83 | 17.5 | |||||
3.9 | 1.08 | 16.3 | |||||
40-250B | 1.9 | 0.53 | 15.4 | 26 | 0.55 | 1450 | 2.3 |
2.8 | 0.78 | 15 | |||||
3.5 | 0.97 | 14 | |||||
40-125(I) | 4.4 | 1.2 | 5.3 | 56 | 0.25 | 1450 | 2.3 |
6.3 | 1.75 | 5 | |||||
8.2 | 2.3 | 4.5 | |||||
40-160(I) | 4.4 | 1.2 | 8.3 | 50 | 0.55 | 1450 | 2.3 |
6.3 | 1.75 | 8 | |||||
8.2 | 2.3 | 7.5 | |||||
40-200(I) | 4.4 | 1.2 | 12.8 | 44 | 0.75 | 1450 | 2.3 |
6.3 | 1.75 | 12.5 | |||||
8.2 | 2.3 | 12 | |||||
40-250(I) | 4.4 | 1.2 | 20.3 | 39 | 1.5 | 1450 | 2.3 |
6.3 | 1.75 | 20 | |||||
8.2 | 2.3 | 19.4 | |||||
40-250(I)A | 4.1 | 1.1 | 17.8 | 37 | 1.1 | 1450 | 2.3 |
5.8 | 1.6 | 17.5 | |||||
7.6 | 2.1 | 17 | |||||
40-250(I)B | 3.8 | 1.1 | 15.4 | 36 | 0.75 | 1450 | 2.3 |
5.4 | 1.5 | 15 | |||||
7 | 1.9 | 14.5 | |||||
50-125 | 4.4 | 1.2 | 5.3 | 569 | 0.25 | 1450 | 2.3 |
6.3 | 1.75 | 5 | |||||
8.2 | 2.3 | 4.45 | |||||
50-160 | 4.4 | 1.2 | 8.3 | 51 | 0.55 | 1450 | 2.3 |
6.3 | 1.75 | 8 | |||||
8.2 | 2.3 | 7.5 | |||||
50-200 | 4.4 | 1.2 | 13 | 45 | 0.75 | 1450 | 2.3 |
6.3 | 1.75 | 12.5 | |||||
8.2 | 2.3 | 12 | |||||
50-250 | 4.4 | 1.2 | 20.5 | 39 | 1.5 | 1450 | 2.3 |
6.3 | 1.75 | 20 | |||||
8.2 | 2.3 | 19.4 | |||||
50-250A | 4.1 | 1.14 | 17.9 | 37 | 1.1 | 1450 | 2.3 |
5.8 | 1.45 | 17.58 | |||||
7.6 | 1.9 | 17 | |||||
50-250B | 3.8 | 1.06 | 15.4 | 36 | 0.75 | 1450 | 2.3 |
5.4 | 1.5 | 15 | |||||
7 | 1.94 | 14.5 | |||||
50-125(I) | 8.75 | 2.4 | 5.38 | 66 | 0.37 | 1450 | 2.5 |
12.5 | 3.5 | 5 | |||||
16.3 | 4.5 | 4.5 | |||||
50-160(I) | 8.75 | 2.4 | 8.6 | 63 | 0.55 | 1450 | 2.5 |
12.5 | 3.5 | 8 | |||||
16.3 | 4.5 | 6.88 | |||||
50-200(I) | 8.75 | 2.4 | 13.2 | 58 | 1.1 | 1450 | 2.5 |
12.5 | 3.5 | 12.5 | |||||
16.3 | 4.5 | 11.4 | |||||
50-200(I)A | 8.2 | 2.3 | 11.6 | 56 | 0.75 | 1450 | 2.5 |
11.8 | 3.3 | 11 | |||||
15.3 | 4.3 | 10 | |||||
50-250(I) | 8.75 | 2.4 | 20.5 | 51 | 2.2 | 1450 | 2.5 |
12.5 | 3.5 | 20 | |||||
16.3 | 4.5 | 19.1 | |||||
50-250(I)A | 8.2 | 2.3 | 17.9 | 50 | 1.5 | 1450 | 2.5 |
11.7 | 3.3 | 17.5 | |||||
15.3 | 4.3 | 16.8 | |||||
50-250(I)B | 7.5 | 2.1 | 15.3 | 49 | 1.1 | 1450 | 2.5 |
10.8 | 3 | 15 | |||||
14 | 3.9 | 14.4 | |||||
50-315(I) | 8.75 | 2.4 | 32 | 43 | 4 | 1450 | 2.5 |
12.5 | 3.5 | 31.5 | |||||
16.3 | 4.5 | 30.5 | |||||
50-315(I)A | 8.3 | 2.3 | 28.8 | 42 | 4 | 1450 | 2.5 |
11.9 | 3.3 | 28.5 | |||||
15.5 | 4.3 | 28 | |||||
50-315(I)B | 7.85 | 2.2 | 25.8 | 38 | 3 | 1450 | 2.5 |
11.3 | 3.1 | 25.5 | |||||
14.6 | 4.1 | 24.5 | |||||
65-125 | 8.75 | 2.4 | 5.4 | 66 | 0.37 | 1450 | 2.5 |
12.5 | 3.5 | 5 | |||||
16.3 | 4.5 | 4.5 | |||||
65-160 | 8.75 | 2.4 | 8.6 | 61 | 0.55 | 1450 | 2.5 |
12.5 | 3.5 | 8 | |||||
16.3 | 4.5 | 6.88 | |||||
65-200 | 8.75 | 2.4 | 13.2 | 58 | 1.1 | 1450 | 2.5 |
12.5 | 3.5 | 12.5 | |||||
16.3 | 4.5 | 11.4 | |||||
65-200A | 8.2 | 2.3 | 11.6 | 56 | 0.75 | 1450 | 2.5 |
11.8 | 3.3 | 11 | |||||
15.3 | 4.3 | 10 | |||||
65-250 | 8.75 | 2.4 | 20.5 | 50 | 2.2 | 1450 | 2.5 |
12.5 | 3.5 | 20 | |||||
16.3 | 4.5 | 19.1 | |||||
65-250A | 8.2 | 2.3 | 17.9 | 49 | 1.5 | 1450 | 2.5 |
11.7 | 3.3 | 17.5 | |||||
15.3 | 4.3 | 16.8 | |||||
65-250B | 7.5 | 2.1 | 15.3 | 48 | 1.1 | 1450 | 2.5 |
10.8 | 3 | 15 | |||||
14 | 3.9 | 14.4 | |||||
65-315 | 8.75 | 2.4 | 32 | 41 | 4 | 1450 | 2.5 |
12.5 | 3.5 | 31.3 | |||||
16.3 | 4.5 | 30.5 | |||||
65-315A | 8.3 | 2.3 | 28.8 | 41 | 4 | 1450 | 2.5 |
11.9 | 3.3 | 28 | |||||
15.5 | 4.3 | 27.5 | |||||
65-315B | 7.85 | 2.2 | 25.8 | 38 | 3 | 1450 | 2.5 |
11.3 | 3.1 | 25.3 | |||||
14.6 | 4 | 24.5 | |||||
65-125(I) | 17.5 | 4.86 | 5.5 | 72 | 0.75 | 1450 | 3 |
25 | 6.94 | 5 | |||||
32.5 | 9.03 | 4.25 | |||||
65-160(I) | 17.5 | 4.86 | 8.75 | 71 | 1.1 | 1450 | 3 |
25 | 6.94 | 8 | |||||
32.5 | 9.03 | 7 | |||||
65-200(I) | 17.5 | 4.86 | 13.4 | 67 | 2.2 | 1450 | 3 |
25 | 6.94 | 12.5 | |||||
32.5 | 9.03 | 11.5 | |||||
65-200(I)A | 16.4 | 4.56 | 4.53 | 65 | 1.5 | 1450 | 3 |
23.5 | 6.53 | 6.53 | |||||
30.5 | 8.47 | 8.47 | |||||
65-250(I) | 17.5 | 4.86 | 4.86 | 60 | 3 | 1450 | 3 |
25 | 6.94 | 6.94 | |||||
32.5 | 9.03 | 9.03 | |||||
65-250(I)A | 16.3 | 4.53 | 4.53 | 58 | 3 | 1450 | 3 |
23.4 | 6.5 | 6.5 | |||||
30.5 | 8.47 | 8.47 | |||||
65-250(I)B | 15 | 4.17 | 4.17 | 56 | 2.2 | 1450 | 3 |
21.7 | 6.03 | 6.03 | |||||
28 | 7.78 | 7.78 | |||||
65-315(I) | 15 | 4.17 | 4.17 | 50 | 5.5 | 1450 | 3 |
25 | 6.94 | 6.94 | |||||
30 | 8.33 | 8.33 | |||||
65-315(I)A | 14 | 3.89 | 3.89 | 49 | 4 | 1450 | 3 |
23 | 6.39 | 6.39 | |||||
28 | 7.78 | 7.78 | |||||
65-315(I)B | 12.1 | 3.36 | 3.36 | 48 | 4 | 1450 | 3 |
230.2 | 5.61 | 5.61 | |||||
24.3 | 6.75 | 6.75 | |||||
80-125 | 17.5 | 4.86 | 4.86 | 71 | 0.75 | 1450 | 3 |
25 | 6.94 | 6.94 | |||||
32.5 | 9.03 | 9.03 | |||||
80-160 | 17.5 | 4.86 | 4.86 | 69 | 1.1 | 1450 | 3 |
25 | 6.94 | 6.94 | |||||
32.5 | 9.03 | 9.03 | |||||
80-200 | 17.5 | 4.86 | 4.86 | 67 | 2.2 | 1450 | 3 |
25 | 6.94 | 6.94 | |||||
32.5 | 9.03 | 9.03 | |||||
80-200A | 16.4 | 4.56 | 4.56 | 65 | 1.5 | 1450 | 3 |
23.5 | 6.53 | 6.53 | |||||
30.5 | 8.47 | 8.47 | |||||
80-250 | 17.5 | 4.86 | 4.86 | 60 | 3 | 1450 | 3 |
25 | 6.94 | 6.94 | |||||
32.5 | 9.03 | 9.03 | |||||
80-250A | 16.3 | 4.53 | 4.53 | 59 | 3 | 1450 | 3 |
23.4 | 6.5 | 6.5 | |||||
30.5 | 8.47 | 8.47 | |||||
80-250B | 15 | 4.17 | 4.17 | 58 | 2.2 | 1450 | 3 |
21.7 | 6.03 | 6.03 | |||||
28 | 7.78 | 7.78 | |||||
80-315 | 17.5 | 4.86 | 32.5 | 53 | 5.5 | 1450 | 3 |
25 | 6.94 | 32 | |||||
32.5 | 9.03 | 30.5 | |||||
80-315A | 16.3 | 4.53 | 28 | 52 | 4 | 1450 | 3 |
23.3 | 6.47 | 27.5 | |||||
30.3 | 8.42 | 26.8 | |||||
80-315B | 15.5 | 4.31 | 25.5 | 51 | 4 | 1450 | 3 |
22.3 | 6.19 | 25 | |||||
29 | 8.06 | 24.5 | |||||
80-125(I) | 35 | 9.72 | 5.88 | 74 | 1.5 | 1450 | 4.5 |
50 | 13.9 | 5 | |||||
65 | 18.1 | 3.5 | |||||
80-160(I) | 35 | 9.72 | 9.13 | 74 | 2.2 | 1450 | 4.5 |
50 | 13.9 | 8 | |||||
65 | 18.1 | 6 | |||||
80-160(I)A | 32.7 | 9.308 | 8 | 72 | 1.5 | 1450 | 4.5 |
46.8 | 13 | 7 | |||||
60.5 | 16.8 | 5.3 | |||||
80-200(I) | 35 | 9.72 | 13.5 | 72 | 3 | 1450 | 4 |
50 | 13.9 | 12.5 | |||||
60 | 18.1 | 10.5 | |||||
80-200(I)A | 32.7 | 9.08 | 11.9 | 71 | 3 | 1450 | 4 |
46.8 | 13 | 11 | |||||
60.5 | 16.8 | 9.25 | |||||
80-250(I) | 35 | 9.72 | 21.8 | 69 | 5.5 | 1450 | 4 |
50 | 13.9 | 20 | |||||
65 | 18.1 | 17 | |||||
80-250(I)A | 32.7 | 9.08 | 19 | 67 | 4 | 1450 | 4 |
46.8 | 13 | 17.5 | |||||
60.5 | 16.8 | 14.9 | |||||
80-250(I)B | 30.5 | 8.47 | 16.3 | 65 | 3 | 1450 | 4 |
43.5 | 12.1 | 15 | |||||
56.5 | 15.7 | 12.8 | |||||
80-315(I) | 35 | 9.72 | 33 | 66 | 11 | 1450 | 4 |
50 | 13.9 | 31.3 | |||||
60 | 18.1 | 28.5 | |||||
80-315(I)A | 33.3 | 9.25 | 29.8 | 64 | 7.5 | 1450 | 4 |
47.5 | 13.2 | 28.3 | |||||
61.5 | 17.1 | 25.8 | |||||
80-315(I)B | 31.5 | 8.75 | 26.5 | 64 | 7.5 | 1450 | 4 |
45 | 12.5 | 25.3 | |||||
58.5 | 16.3 | 23 | |||||
100-125 | 35 | 9.72 | 5.88 | 75 | 1.5 | 1450 | 4.5 |
50 | 13.9 | 5 | |||||
65 | 18.1 | 3.5 | |||||
100-160 | 35 | 9.72 | 9.13 | 75 | 2.2 | 1450 | 4.5 |
50 | 13.9 | 8 | |||||
65 | 18.1 | 6 | |||||
100-160A | 32.7 | 9.08 | 8 | 73 | 1.5 | 1450 | 4.5 |
46.8 | 13 | 7 | |||||
60.5 | 16.8 | 5.3 | |||||
100-200 | 35 | 9.72 | 13.5 | 74 | 3 | 1450 | 4 |
50 | 13.9 | 12.5 | |||||
65 | 18.1 | 10.5 | |||||
100-200A | 32.7 | 9.08 | 11.9 | 72 | 3 | 1450 | 4 |
46.8 | 13 | 11 | |||||
60.5 | 16.8 | 9.25 | |||||
100-250 | 35 | 9.72 | 21.8 | 70 | 5.5 | 1450 | 4 |
50 | 13.9 | 20 | |||||
65 | 18.1 | 17 | |||||
100-250A | 32.7 | 9.08 | 19 | 68 | 4 | 1450 | 4 |
46.8 | 13 | 17.5 | |||||
60.5 | 16.8 | 14.9 | |||||
100-250B | 30.5 | 8.47 | 16.3 | 65 | 3 | 1450 | 4 |
43.5 | 12.1 | 15 | |||||
56.5 | 15.7 | 12.8 | |||||
100-3158 | 35 | 9.72 | 33 | 66 | 11 | 1450 | 4 |
50 | 13.9 | 31.3 | |||||
65 | 18.1 | 28.5 | |||||
100-315A | 33.3 | 9.25 | 29.8 | 64 | 7.5 | 1450 | 4 |
47.5 | 13.2 | 28.3 | |||||
61.5 | 17.1 | 25.8 | |||||
100-315B | 31.5 | 8.75 | 26.5 | 63 | 7.5 | 1450 | 4 |
45 | 12.5 | 25.3 | |||||
58.5 | 16.3 | 23 | |||||
100-125(I) | 48 | 13.3 | 5.5 | 76 | 2.2 | 1450 | 3 |
80 | 22.2 | 5 | |||||
96 | 26.7 | 4.3 | |||||
100-160(I) | 48 | 13.3 | 9 | 74 | 4 | 1450 | 3 |
80 | 22.2 | 8 | |||||
96 | 26.7 | 7 | |||||
100-200(I) | 48 | 13.3 | 13.8 | 73 | 5.5 | 1450 | 3 |
80 | 22.2 | 12.5 | |||||
96 | 26.7 | 11.5 | |||||
100-200(I)A | 45 | 12.5 | 12 | 72 | 4 | 1450 | 3 |
75 | 20.8 | 11 | |||||
90 | 25 | 10 | |||||
100-250(I) | 48 | 13.2 | 22 | 72 | 7.5 | 1450 | 2.8 |
80 | 22.2 | 20 | |||||
96 | 26.7 | 18.3 | |||||
100-250(I)A | 45 | 12.5 | 19 | 71 | 7.5 | 1450 | 2.8 |
75 | 20.8 | 17.5 | |||||
90 | 25 | 16 | |||||
100-250(I)B | 41.5 | 11.5 | 16.3 | 70 | 5.5 | 1450 | 2.8 |
69 | 19.2 | 15 | |||||
83 | 23 | 13.8 | |||||
100-315(I) | 48 | 13.3 | 33.3 | 67 | 15 | 1450 | 2.5 |
80 | 22.2 | 32 | |||||
96 | 26.7 | 29.8 | |||||
100-315(I)A | 45 | 12.5 | 29.3 | 66 | 11 | 1450 | 2.5 |
75 | 20.8 | 27.5 | |||||
90 | 25 | 26 | |||||
100-315(I)B | 43 | 11.9 | 26.5 | 65 | 11 | 1450 | 2.5 |
72 | 20 | 25 | |||||
86 | 23.9 | 23.8 | |||||
100-400(I) | 60 | 16.67 | 52 | 65 | 30 | 1450 | 3 |
100 | 22.78 | 50 | |||||
120 | 33.33 | 48.5 | |||||
100-400(I)A | 56.4 | 15.67 | 46 | 65 | 22 | 1450 | 3 |
94 | 26.11 | 44 | |||||
113 | 31.39 | 43 | |||||
100-400(I)B | 52.3 | 14.53 | 39 | 64 | 18.5 | 1450 | 3 |
87 | 24.17 | 38 | |||||
105 | 29.17 | 37 | |||||
125-160 | 48 | 13.3 | 9 | 76 | 3 | 1450 | 3 |
80 | 22.2 | 8 | |||||
96 | 26.7 | 7 | |||||
125-100 | 48 | 13.3 | 13.8 | 75 | 5.5 | 1450 | 3 |
80 | 22.2 | 12.5 | |||||
96 | 26.7 | 11.5 | |||||
125-200A | 45 | 12.5 | 12.1 | 74 | 4 | 1450 | 3 |
75 | 20.8 | 11 | |||||
90 | 25 | 10.1 | |||||
125-250 | 48 | 13.2 | 21.8 | 74 | 7.5 | 1450 | 2.8 |
80 | 22.2 | 20 | |||||
96 | 26.7 | 18.3 | |||||
125-250A | 45 | 12.5 | 19 | 73 | 7.5 | 1450 | 2.8 |
75 | 20.8 | 17.5 | |||||
90 | 25 | 16 | |||||
125-250B | 41.5 | 11.5 | 16.3 | 72 | 5.5 | 1450 | 2.8 |
69 | 19.2 | 15 | |||||
83 | 16.1 | 13.8 | |||||
125-315 | 48 | 13.3 | 33.3 | 69 | 15 | 1450 | 2.5 |
80 | 22.2 | 32 | |||||
96 | 26.7 | 29.8 | |||||
125-315A | 45 | 12.5 | 29. 3 | 68 | 11 | 1450 | 2.5 |
75 | 20.8 | 27.5 | |||||
90 | 25 | 26 | |||||
125-315B | 43 | 11.9 | 26.5 | 67 | 11 | 1450 | 2.5 |
71.5 | 19.1 | 25 | |||||
86 | 23.9 | 23.8 | |||||
125-250 | 60 | 16.7 | 21.8 | 74 | 11 | 1450 | 4 |
100 | 27.8 | 20 | |||||
120 | 33.3 | 18 | |||||
125-250A | 56 | 15.6 | 19 | 73 | 7.5 | 1450 | 4 |
93.5 | 26 | 17.5 | |||||
112 | 31.1 | 15.8 | |||||
125-250B | 52 | 14.4 | 16.3 | 72 | 7.5 | 1450 | 4 |
86.5 | 24 | 15 | |||||
104 | 28.9 | 13.5 | |||||
125-315 | 60 | 16.7 | 33.3 | 74 | 15 | 1450 | 4 |
100 | 27.8 | 32 | |||||
120 | 33.3 | 30 | |||||
125-315A | 56 | 15.6 | 29 | 73 | 15 | 1450 | 4 |
93.5 | 26 | 27.5 | |||||
112 | 31.1 | 26.3 | |||||
125-315B | 52 | 14.4 | 25 | 71 | 11 | 1450 | 4 |
86.5 | 24 | 23.8 | |||||
104 | 28.9 | 22.8 | |||||
125-400 | 60 | 16.7 | 52 | 53 | 30 | 1450 | 3 |
100 | 27.8 | 50 | |||||
120 | 33.3 | 48.5 | |||||
125-400A | 56 | 15.6 | 45.8 | 64 | 22 | 1450 | 3 |
94 | 26.1 | 44 | |||||
112 | 31.1 | 42 | |||||
125-400B | 52 | 14.4 | 39 | 62 | 18.5 | 1450 | 3 |
87 | 24.2 | 37.5 | |||||
104 | 28.9 | 36 |
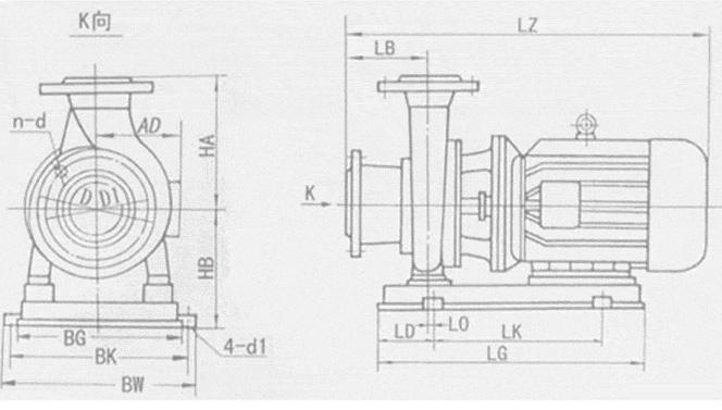
結構圖紙

- 電動機:直接與水泵聯接傳送動力,采用名牌電機。
- 泵軸:與電機同軸,為電機加長軸,確保了軸的同心,使泵運轉平穩。無噪音和振動現象,采用鍍鉻處理,增強了使用壽命。
- 擋水圈:防止因密封漏水而使電機進水。
- 機械密封:采用不銹鋼、碳化鎢、氟橡膠等材料制成。平衡式耐高溫。高壓機械密封,運行壽命長,不滲漏,對軸無磨損,不積水垢,保證工作環境的整潔。
- 取壓塞:可安裝壓力表直觀監控泵的正常高效運行
- 泵體:壓出塞和吸入室采用優秀水力模型設計而成,既美觀又高效,設有安裝底腳,便于安裝和運行穩固。
- 放氣塞:灌泵時排凈泵內空氣,保證了泵的正常啟動。
- 葉輪:采用先進的水力模型設計而成,具有高效率,可靠性好等特點。
安裝尺寸

